EnglishالعربيةFrançaisPortuguêsРусскийEspañol
 تحرير الترجمة
بواسطة Transposh - translation plugin for wordpress

الكمال للمبيعات, قطع الغيار - العرض

2025-11-04

دليل شامل لمجموعة رأس أسطوانة FAW للشاحنة القلابة CA3250P66K2L1T1E 6×4

Comprehensive Guide to FAW Cylinder Head Assembly for CA3250P66K2L1T1E 6×4 Dump Truck Explore the detailed breakdown of the cylinder head assembly, designed for optimal performance and […]
2024-10-20

FAW J6 كتلتان تم تجميعهما

FAW J6 تم تجميع كتلتين من FAW J6 كتلتين تم تجميعهما ضرورية لنموذج شاحنة FAW J6 CA3251P66K2L2T1E5Z DUMP TRACK. […]
2024-10-19

فاو J6 حاجب الشمس الأمامي

Faw J6 Front Sun Visor the Faw J6 Front Sun Visor هي ميزة مهمة لنموذج FAW J6 Truck CA3251P66K2L2T1E5Z DUMP TRACK […]
2024-10-19

FAW J6 مرآة الرؤية الخلفية الخارجية اليمنى (يدوي)

FAW J6 مرآة الرؤية الخلفية الخارجية اليمنى (يدوي) FAW J6 مباشرة خارج مرآة الرؤية الخلفية (يدوي) هو مكون حاسم لنموذج شاحنة FAW J6 CA3251P66K2L2T1E5Z […]
2024-10-19

مكونات منفضة سجائر FAW J6

FAW J6 مكونات منفضة السجائر تلعب مكونات منفضة سجائر FAW J6 دورًا مهمًا في نموذج FAW J6 Truck Model CA3251P66K2L2T1E5Z DUMP TRACK. […]
2024-10-19

أنابيب مياه سخان FAW J6

FAW J6 Heater water pipes The FAW J6 heater water pipes are crucial components for the FAW J6 truck model CA3251P66K2L2T1E5Z dump truck.The water supply hose […]
2024-10-19

خط أنابيب FAW J6 Freon

FAW J6 Freon Pipeline خط أنابيب FAW J6 Freon هو جزء أساسي من نموذج FAW J6 Truck Model CA3251P66K2L2T1E5Z DUMP TRACK. (CQ1460620 و […]
2024-10-19

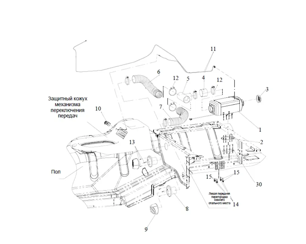
FAW J6 Air independent heater (in the cabin)

FAW J6 Air independent heater (in the cabin) The FAW J6 air independent heater (in the cabin) is a significant component for the FAW J6 truck […]
2024-10-19

الضاغط المبرد بالهواء FAW J6

FAW J6 Air cooled compressor The FAW J6 air cooled compressor is essential for the FAW J6 truck model CA3251P66K2L2T1E5Z dump truck.The air-cooled compressor assembly (8103020-70أ) […]
دردش معنا
دردش معنا
أسئلة, الشكوك, مشاكل? نحن هنا لمساعدتك!
جاري الإتصال...
لا يوجد أي من مشغلينا متاحين في الوقت الحالي. لو سمحت, حاول مرة أخرى في وقت لاحق.
المشغلون لدينا مشغولون. الرجاء معاودة المحاولة في وقت لاحق
:
:
:
:
هل لديك سؤال? اكتب لنا!
:
:
انتهت جلسة الدردشة هذه