EnglishالعربيةFrançaisPortuguêsРусскийEspañol
 تحرير الترجمة
بواسطة Transposh - translation plugin for wordpress

الكمال للمبيعات, قطع الغيار - العرض

2024-05-22

جهاز التبريد المتوسط ​​وخط أنابيب FAW J5

تلعب جهاز التبريد المتوسط ​​وخط أنابيب FAW J5 ، وأجهزة التبريد المتوسطة وخط أنابيب FAW J5 دورًا مهمًا في نظام تبريد المحرك. وتشمل […]
2024-05-22

مكون سلك محرك FAW J5

يعد مكون أسلاك محرك FAW J5 من أسلاك محرك FAW J5 جزءًا رئيسيًا من النظام الكهربائي للسيارة. الجوز شفة عرافة (Q32008) و sphypin من أسلاك المحرك […]
2024-05-22

مكون من الإدارة الكهربائية FAW J5

مكون من المنفذ لنظام التحكم في الطاقة FAW J5 مكون من المنفذ لنظام التحكم الكهربائي FAW J5, مجموعة المنظمات المركزية (3601115-550-0000), يلعب دورًا مهمًا في ضمان الدقة […]
2024-05-22

مكون نظام التحكم في الطاقة FAW J5

يعد مكون ضاغط الهواء الكهربائي FAW J5 FAW J5 جزءًا مهمًا من الجهاز الهوائي. عرافة بولت (Q150BL040) وباك مسطح (س40110) توفير موثوقة […]
2024-05-22

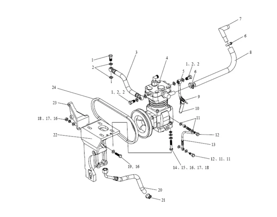
ضاغط الهواء FAW J5

FAW J5 ضاغط الهواء ضاغط الهواء FAW J5 هو جزء مهم من النظام الهوائي. عرافة بولت (Q150BL040) وباك مسطح (س40110) توفير جبل ضاغط موثوق. […]
2024-05-22

ضاغط الهواء FAW J5

يلعب ضاغط الهواء FAW J5 Air Compressor FAW J5 دورًا مهمًا في نظام الرئوي. حادة الترباس M14x1.5 (س/xc3451.1-2002) والنحاس Puck 14x22 (س/WC3403-1994) توفير جبل موثوق […]
2024-05-22

مجموعة مضخة التوجيه الهيدروليكية FAW J5

مجموعة مضخة التوجيه الهيدروليكية FAW J5 مجموعة مضخة التوجيه الهيدروليكية لـ FAW J5 توفر محرك سيارة سلس ومتحكم فيه. تسليط الضوء على مضخة التوجيه لتلاعب الغاز (3407024-550-0000) […]
2024-05-22

مضخة المياه FAW J5

تلعب مضخة المياه FAW J5 مضخة المياه FAW J5 دورًا رئيسيًا في نظام تبريد المحرك. حزام المروحة (1308032-541-0010) يوفر محركه. جوز سداسي على شكل (Q341Blo) و […]
2024-05-22

ترموستات FAW J5

ترموستات FAW J5 ترموستات FAW J5 يعدل درجة حرارة المحرك. الجوز السداسي من النوع الأول (Q340B08) وضوء عفريت في الربيع (Q40408) توفير ترموستات تصاعد موثوقة. عفريت قليلا 8 […]
دردش معنا
دردش معنا
أسئلة, الشكوك, مشاكل? نحن هنا لمساعدتك!
جاري الإتصال...
لا يوجد أي من مشغلينا متاحين في الوقت الحالي. لو سمحت, حاول مرة أخرى في وقت لاحق.
المشغلون لدينا مشغولون. الرجاء معاودة المحاولة في وقت لاحق
:
:
:
:
هل لديك سؤال? اكتب لنا!
:
:
انتهت جلسة الدردشة هذه