EnglishالعربيةFrançaisPortuguêsРусскийEspañol
 تحرير الترجمة
بواسطة Transposh - translation plugin for wordpress

الكمال للمبيعات, قطع الغيار - العرض

2024-03-20

تجميع المحرك-آلية الصمام آسى(قطع غيار الشاحنات FAW J5)

تجميع المحرك-آلية الصمام آسى(قطع غيار الشاحنات FAW J5) تعد مجموعة آلية الصمام جزءًا مهمًا من نظام محرك الشاحنة FAW J5, تضم مجموعة متنوعة من […]
2024-03-20

مجموعة أسطوانات تجميع المحرك ASSY(قطع غيار الشاحنات FAW J5)

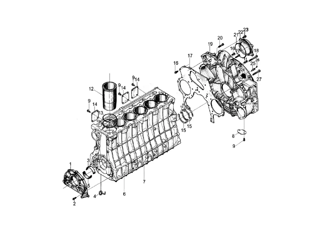
مجموعة أسطوانات تجميع المحرك ASSY(قطع غيار الشاحنات FAW J5) كتلة أسطوانات مجموعة المحرك هي مكون حاسم في شاحنات FAW J5, تتكون من مجموعة واسعة من […]
2024-03-20

مجموعة أسطوانات تجميع المحرك ASSY(قطع غيار الشاحنات FAW J5)

مجموعة أسطوانات تجميع المحرك ASSY(قطع غيار الشاحنات FAW J5) كتلة أسطوانة مجموعة المحرك هي مكون حاسم لشاحنات FAW J5, تشمل مجموعة من الأجزاء الأساسية […]
2024-03-20

تجميع المحرك - رأس الأسطوانة(قطع غيار الشاحنات FAW J5)

تجميع المحرك - رأس الأسطوانة(قطع غيار الشاحنات FAW J5) يعد Assy رئيس أسطوانة مجموعة المحرك جزءًا حاسمًا من نظام محرك شاحنة FAW J5, تضم مكونات مختلفة […]
2024-03-20

تجميع المحرك - رأس الأسطوانة(قطع غيار الشاحنات FAW J5)

تجميع المحرك - رأس الأسطوانة(قطع غيار الشاحنات FAW J5) يعد Assy رئيس أسطوانة مجموعة المحرك مكونًا مهمًا في أداء وسلامة محركات شاحنات FAW J5. […]
2024-03-20

غطاء رأس مجموعة أسطوانات المحرك ASSY(قطع غيار الشاحنات FAW J5)

غطاء رأس مجموعة أسطوانات المحرك ASSY(قطع غيار الشاحنات FAW J5) غطاء رأس أسطوانة مجموعة المحرك Assy for FAW J5 هو عنصر أساسي يساهم في […]
2024-03-20

محرك Assembly-Starter Assy(قطع غيار الشاحنات FAW J5)

محرك Assembly-Starter Assy(قطع غيار الشاحنات FAW J5) يعد Assy Assy لتجميع تجميع المحرك لشاحنات FAW J5 مكونًا حيويًا أساسيًا لبدء تشغيل المحرك. هذا التجميع […]
2024-03-20

حاقن محرك التجميع المحرك ASSY(أنا)(قطع غيار الشاحنات FAW J5)

حاقن محرك التجميع المحرك ASSY(أنا)(قطع غيار الشاحنات FAW J5) حاقن وقود تجميع المحرك ASSY(أنا) بالنسبة لشاحنات FAW J5 ، تتضمن مكونات أساسية لضمان حقن وقود مناسب للمحرك […]
2024-03-20

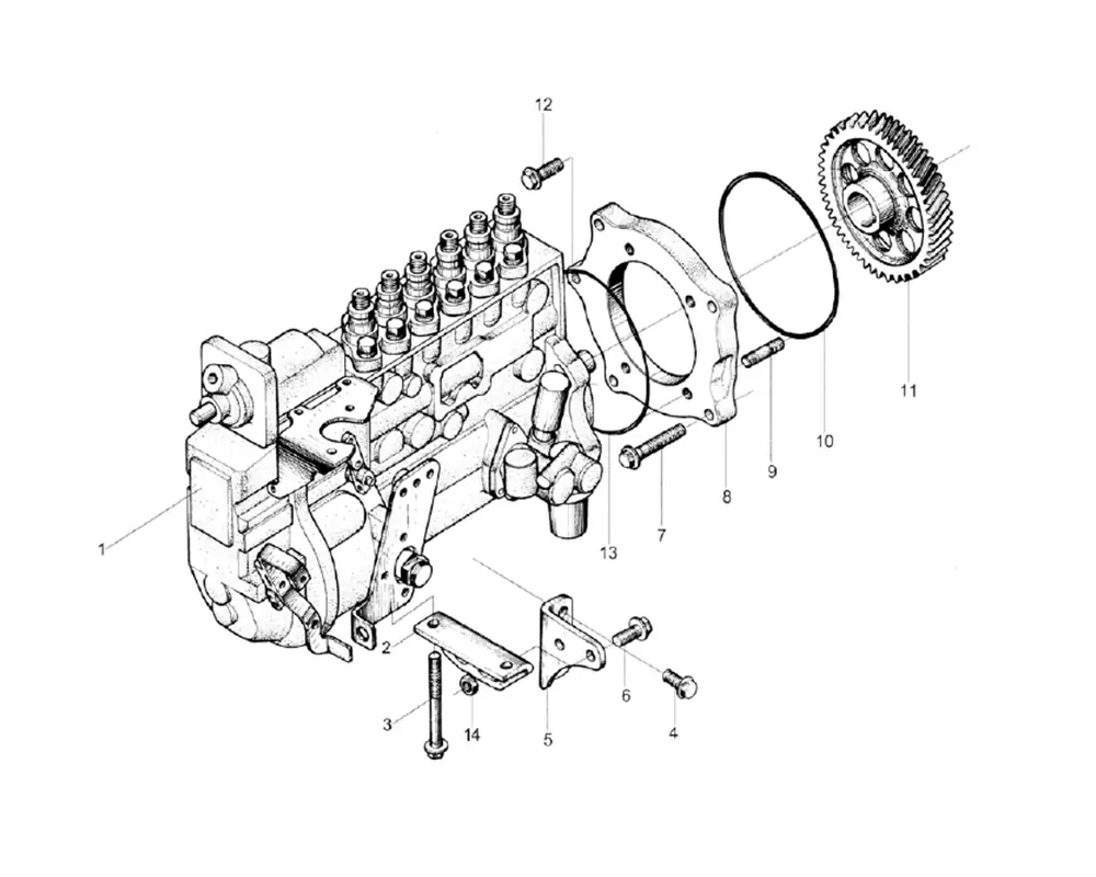
تجميع المحرك - مضخة حقن الوقود آسى(قطع غيار الشاحنات FAW J5)

تجميع المحرك - مضخة حقن الوقود آسى(قطع غيار الشاحنات FAW J5) مجموعة المحرك-مضخة حقن الوقود عاصي (قطع غيار الشاحنات FAW J5) is a crucial component for ensuring the smooth […]
دردش معنا
دردش معنا
أسئلة, الشكوك, مشاكل? نحن هنا لمساعدتك!
جاري الإتصال...
لا يوجد أي من مشغلينا متاحين في الوقت الحالي. لو سمحت, حاول مرة أخرى في وقت لاحق.
المشغلون لدينا مشغولون. الرجاء معاودة المحاولة في وقت لاحق
:
:
:
:
هل لديك سؤال? اكتب لنا!
:
:
انتهت جلسة الدردشة هذه