EnglishالعربيةFrançaisPortuguêsРусскийEspañol
 تحرير الترجمة
بواسطة Transposh - translation plugin for wordpress

الكمال للمبيعات, قطع الغيار - العرض

2024-05-01

خزان التوسع, سد من رقبة الري, قوس خزان التوسع, خطوط الأنابيب FAW J6

خزان التوسع, سد من رقبة الري, قوس خزان التوسع, трубопроводы FAW J6 “Расширительный бак, سد من رقبة الري, قوس خزان التوسع, خطوط الأنابيب FAW J6 " – это неотъемлемая часть […]
2024-05-01

المشعاع, خطوط الأنابيب, مروحة Airbrush FAW J6

المشعاع, خطوط الأنابيب, воздухоотражатель вентилятора FAW J6 “Радиатор, خطوط الأنابيب, مروحة Airbrush FAW J6 " – هذه مكونات مهمة لنظام التبريد والتهوية في السيارة, обеспечивающие оптимальную работу двигателя […]
2024-05-01

Клапан выхлопного тормоза FAW J6

Клапан выхлопного тормоза FAW J6 “Клапан выхлопного тормоза FAW J6”это важный элемент системы торможения автомобиля, обеспечивающий эффективное снижение скорости движения путем использования выхлопных газов. […]
2024-05-01

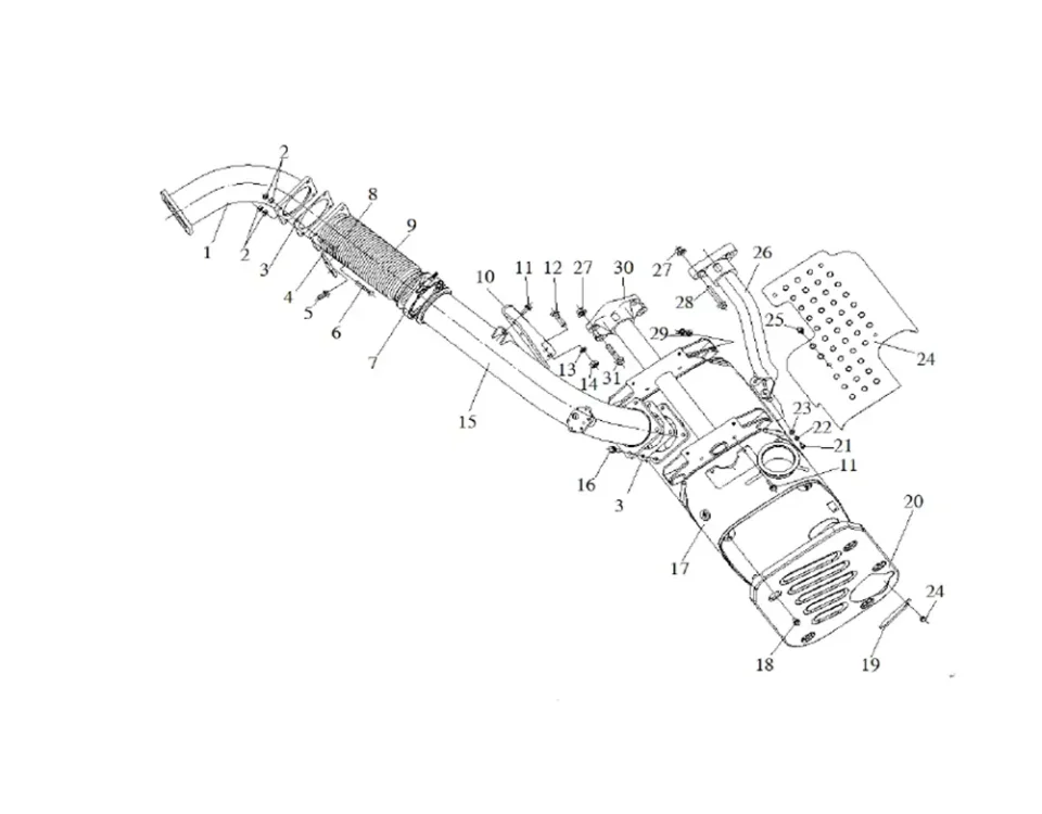
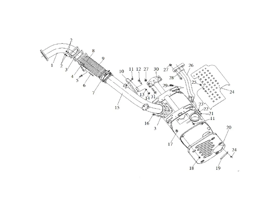
Выхлопная система FAW J6

Выхлопная система FAW J6 “Выхлопная система FAW J6”это ключевой компонент автомобильной выхлопной системы, обеспечивающий эффективное удаление отработавших газов из двигателя и снижающий вредные выбросы […]
2024-05-01

سحق مرشح FAW J6 تنظيف الوقود

Фильтр грубой очистки топлива FAW J6 “Фильтр грубой очистки топлива FAW J6” – هذا مكون مهم في نظام تنظيف وقود السيارات, обеспечивающий эффективное удаление грязи и примесей […]
2024-05-01

مرشح الهواء FAW J6

Воздушный фильтр FAW J6 “Воздушный фильтр FAW J6” – هذا جزء مهم من نظام تناول الهواء للسيارة, ضمان نقاء ونضارة الهواء, دخول المحرك. فيه […]
2024-05-01

خطوط أنابيب اليوريا FAW J6

Трубопроводы мочевины FAW J6 Трубопроводы мочевины FAW J6” – وهو مكون ضروري لنظام القناة البولية في السيارة, ضمان نقل وتوزيع اليوريا بكفاءة. В комплект входят различные электрообогреваемые […]
2024-05-01

Топливный бак и топливопроводы FAW J6

Топливный бак и топливопроводы FAW J6 “Топливный бак и топливопроводы FAW J6”это важная часть топливной системы автомобиля, обеспечивающая надежное хранение и передачу топлива. في […]
2024-05-01

Холодильный компрессор FAW J6

Холодильный компрессор FAW J6 “Холодильный компрессор FAW J6” – هذا جهاز مهم, которое отвечает за охлаждение воздуха в салоне автомобиля. В его состав входит холодильный компрессор […]
دردش معنا
دردش معنا
أسئلة, الشكوك, مشاكل? نحن هنا لمساعدتك!
جاري الإتصال...
لا يوجد أي من مشغلينا متاحين في الوقت الحالي. لو سمحت, حاول مرة أخرى في وقت لاحق.
المشغلون لدينا مشغولون. الرجاء معاودة المحاولة في وقت لاحق
:
:
:
:
هل لديك سؤال? اكتب لنا!
:
:
انتهت جلسة الدردشة هذه