EnglishالعربيةFrançaisPortuguêsРусскийEspañol
 تحرير الترجمة
بواسطة Transposh - translation plugin for wordpress

الكمال للمبيعات, قطع الغيار - العرض

2024-05-24

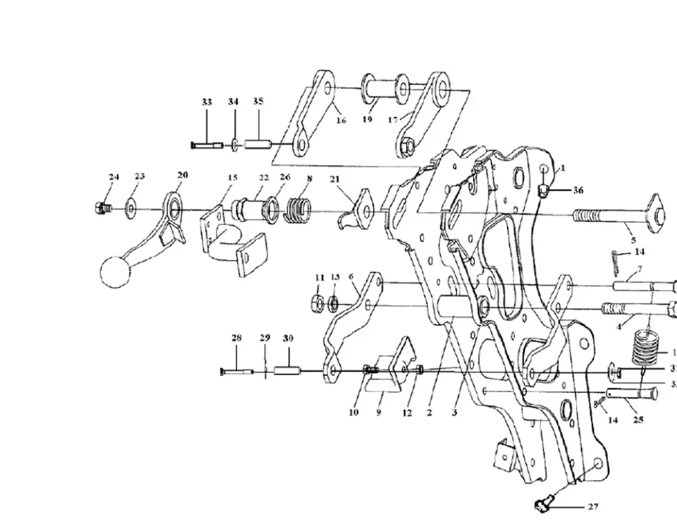
سلسلة الفرامل فاو J5

سلسلة الفرامل FAW J5 تعد سلسلة الفرامل FAW J5 مكونًا مهمًا في نظام الكبح., توفير فرملة فعالة وآمنة للمركبة. ويتكون من العناصر التالية: […]
2024-05-24

فرامل العجلات الخلفية FAW J5

فرامل العجلات الخلفية FAW J5 تعتبر فرامل العجلات الخلفية FAW J5 جزءًا مهمًا من نظام الكبح, ضمان السلامة والثبات أثناء قيادة السيارة. يشمل […]
2024-05-24

فرامل العجلة الأمامية FAW J5

تلعب فرامل العجلات الأمامية FAW J5 دورًا مهمًا في ضمان سلامة السيارة والتحكم فيها أثناء القيادة. يتكون من هؤلاء […]
2024-05-23

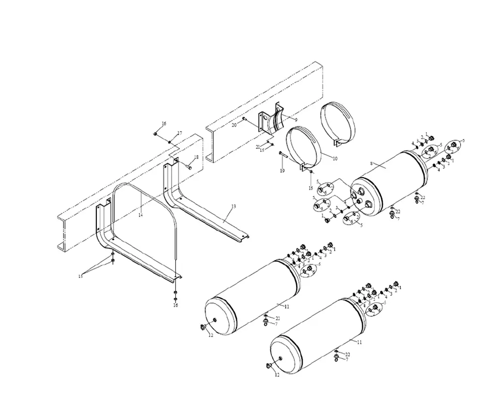
جاسولدر فاو J5

حامل الغاز FAW J5 حامل الغاز FAW J5 – إنه عنصر مهم في نظام إمداد الغاز, توفير تخزين وتوزيع موثوق للغاز لمحرك السيارة. ويشمل ما يلي […]
2024-05-23

عجلة القيادة وجهاز العاكس FAW J5

عجلة القيادة وجهاز العاكس FAW J5 تلعب عجلة القيادة وجهاز العاكس FAW J5 دورًا مهمًا في توجيه السيارة ومراقبتها. المكونات الرئيسية لهذا النظام هي "الدعم […]
2024-05-23

دعم التأرجح FAW J5

دعم التأرجح FAW J5 دعم التأرجح FAW J5 – هذه هي التفاصيل الرئيسية, ضمان موثوقية وكفاءة نظام تحول السيارة. أنه يحتوي على مكونات, هذه […]
2024-05-23

عجلة FAW J5 والإطارات

عجلات الإطارات والإطارات FAW J5 – هذه هي المكونات الرئيسية, مما يضمن السلامة والراحة أثناء القيادة. في تكوينها […]
2024-05-23

عجلات الربيع FAW J5

FAW J5 الربيع Wheel Lift Faw J5 Lift Wheel Lift – هذا جهاز مهم, الذي يوفر الراحة والسلامة عند استبدال عجلة احتياطية بسيارة. في […]
2024-05-23

عجلات خلفية حافة وفرامل طبل FAW J5

عجلات خلفية حافة وفرامل طبل FAW J5 Rimming من العجلة الخلفية وطبل الفرامل FAW J5 – مكونات مهمة, التي تضمن كفاءة وسلامة الخلفية […]
دردش معنا
دردش معنا
أسئلة, الشكوك, مشاكل? نحن هنا لمساعدتك!
جاري الإتصال...
لا يوجد أي من مشغلينا متاحين في الوقت الحالي. لو سمحت, حاول مرة أخرى في وقت لاحق.
المشغلون لدينا مشغولون. الرجاء معاودة المحاولة في وقت لاحق
:
:
:
:
هل لديك سؤال? اكتب لنا!
:
:
انتهت جلسة الدردشة هذه