EnglishالعربيةFrançaisPortuguêsРусскийEspañol
by Transposh - translation plugin for wordpress

Perfection for sales, parts -supply

2024-08-12

Front housing assembly FAW J7

Front housing assembly FAW J7 The front housing assembly of FAW J7 CA4250P77K25T1E5 plays a significant role. It provides structural integrity to the front part of […]
2024-08-12

Clutch and fastener logic assembly FAW J7

Clutch and fastener logic assembly FAW J7 The clutch and fastener logic assembly in FAW J7 CA4250P77K25T1E5 is crucial. The clutch allows smooth engagement and disengagement […]
2024-08-12

Expansion tank, pipeline logic assembly FAW J7

Expansion tank, pipeline logic assembly FAW J7 The expansion tank in FAW J7 CA4250P77K25T1E5 helps manage coolant levels. It provides a reservoir for excess coolant. The […]
2024-08-12

Fan, fan clutch FAW J7

Fan, fan clutch FAW J7 The fan and fan clutch in FAW J7 CA4250P77K25T1E5 play important roles. The fan helps cool the engine by drawing in […]
2024-08-12

Radiator, fan shroud, suspension, pipe logic assembly FAW J7

Radiator, fan shroud, suspension, pipe logic assembly FAW J7 The radiator in FAW J7 CA4250P77K25T1E5 cools the engine. The fan shroud directs air flow. The suspension […]
2024-08-12

Intercooler, screen, pipe, bracket FAW J7

Intercooler, screen, pipe, bracket FAW J7 The intercooler in FAW J7 CA4250P77K25T1E5 cools the compressed air, increasing engine efficiency. The screen filters out debris. The pipe […]
2024-08-12

Exhaust system FAW J7

Exhaust system FAW J7 The exhaust system of FAW J7 CA4250P77K25T1E5 6×4 flat-head diesel semi-trailer tractor truck is of great significance. It expels the burned gases […]
2024-08-12

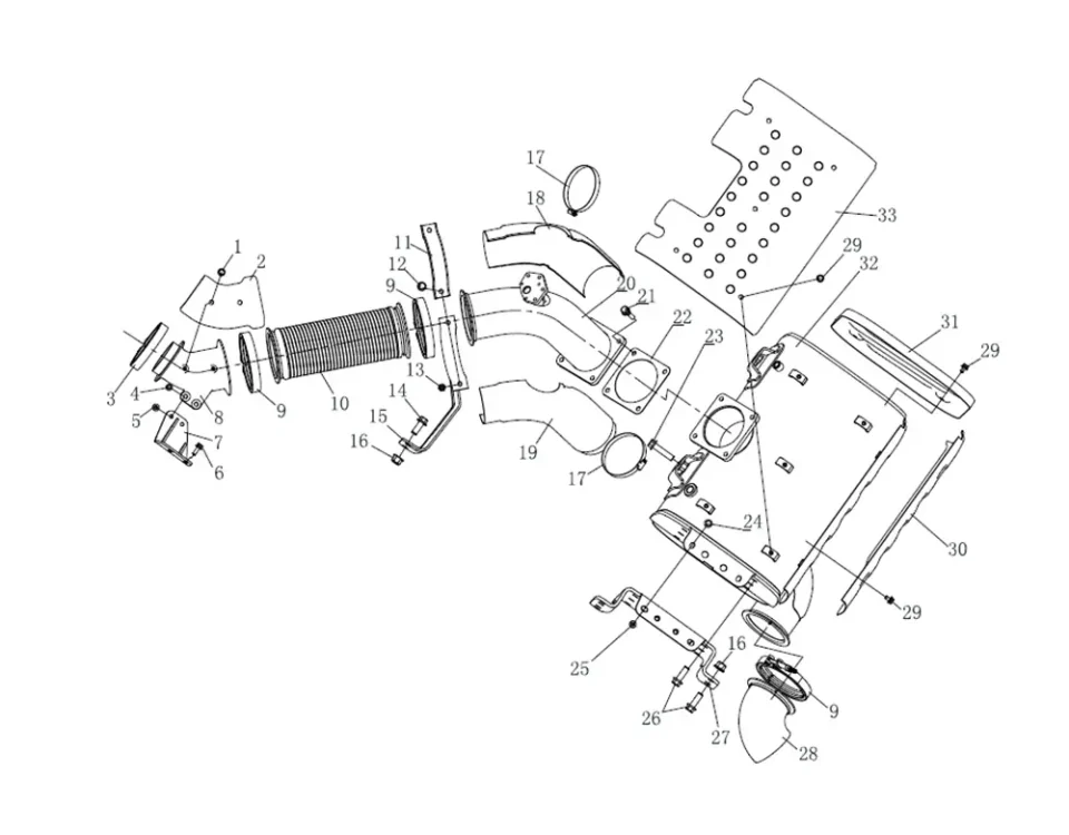
Air filter (2000) FAW J7

Air filter (2000) FAW J7 The air filter (2000) in FAW J7 is crucial. It filters out dust and debris from the incoming air. This protects […]
2024-08-12

Urea supply system FAW J7

Urea supply system FAW J7 The urea supply system of FAW J7 is important. It injects urea into the exhaust stream. This helps reduce harmful emissions, […]
Chat with us
Chat with us
Questions, doubts, issues? We're here to help you!
Connecting...
None of our operators are available at the moment. Please, try again later.
Our operators are busy. Please try again later
:
:
:
:
Have you got question? Write to us!
:
:
This chat session has ended