EnglishالعربيةFrançaisPortuguêsРусскийEspañol
 Editar tradução
por Transposh - translation plugin for wordpress

Perfeição para vendas, peças - fornecimento

2024-05-21

Sprayer FAW J5

Faw J5 Spray Sprayer FAW J5 desempenha um papel importante no sistema de fornecimento de combustível. Parafuso afiado M8X1 (Q/WC3451.1-2002) e Puck de cobre 8x1 (Q/WC3403-1994) fornecer fixação confiável e […]
2024-05-21

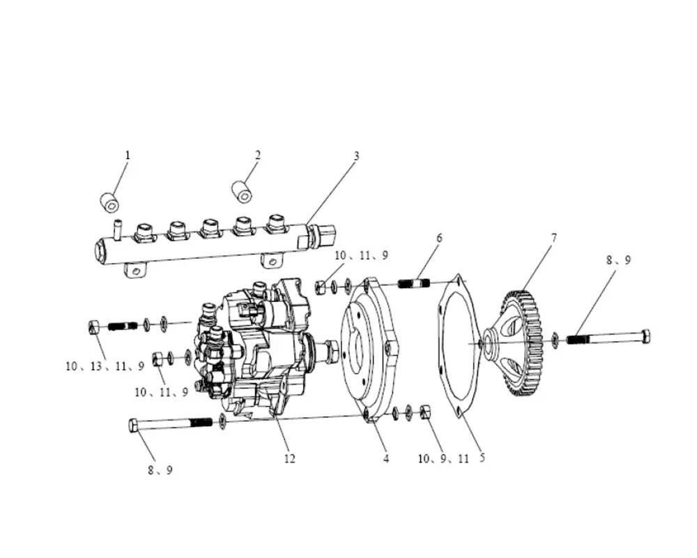
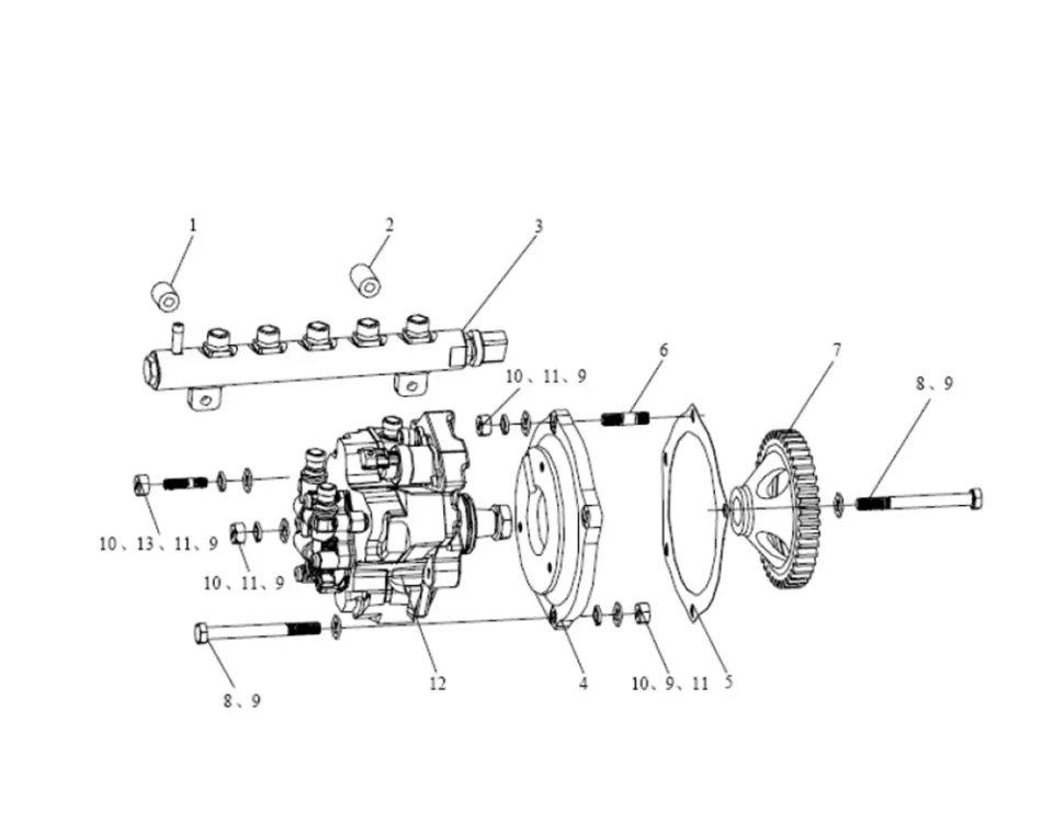
Bomba de combustível FAW J5

Bomba de combustível FAW J5 Bomba de combustível FAW J5 fornece suprimento de combustível confiável ao motor. Biscoitos 1 E 2 (1129113-550-0000, 1129114-550-0000) e rotina de óleo de alta pressão em […]
2024-05-21

Tanque de combustível e oleoduto FAW J5

Tanque de combustível e tubulação de combustível FAW J5 Tanque de combustível e oleoduto FAW J5 desempenham um papel importante para garantir uma operação eficiente do motor. Complexo de cabeça de tanque de combustível […]
2024-05-21

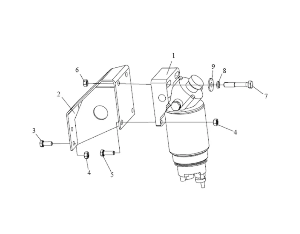
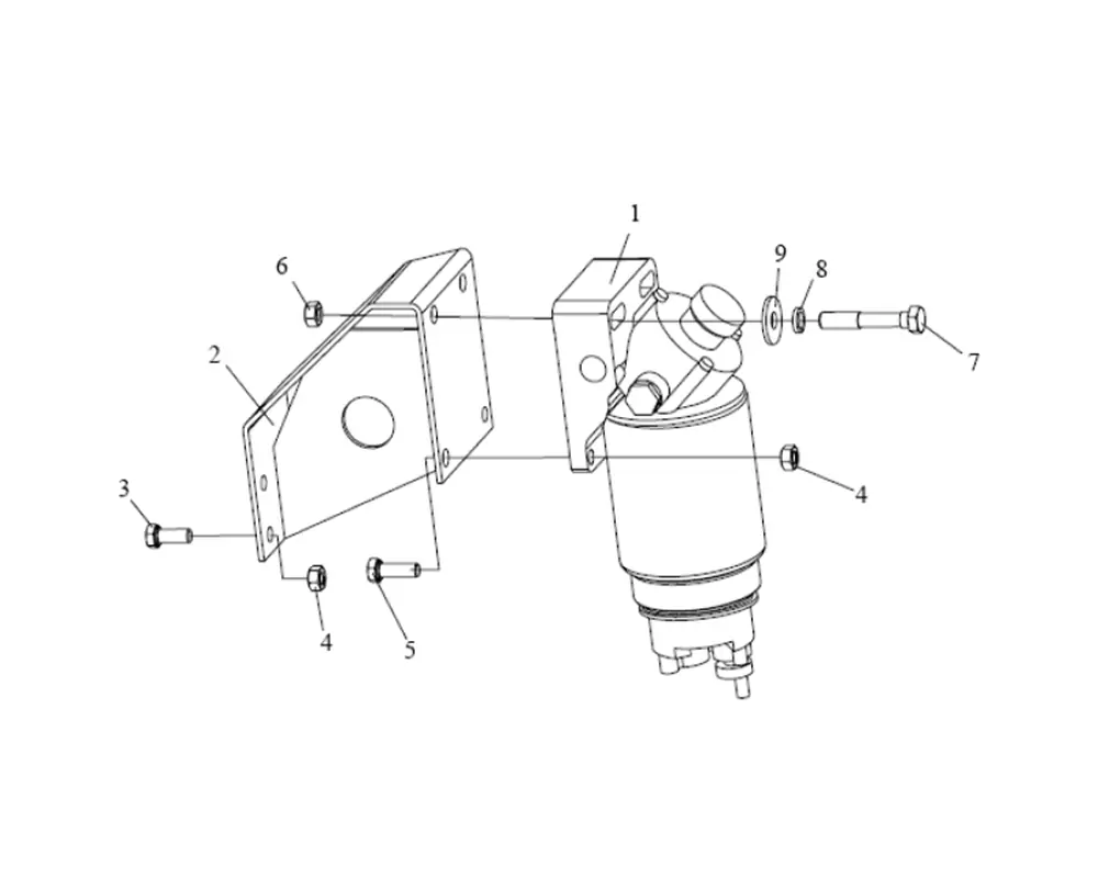
FAW de filtro de combustível J5

FAW FAW J5 Fuel Fuel Faw J5 desempenha um papel importante para garantir um suprimento confiável de combustível ao motor. Oleodutos de alta pressão (112901OA550-0000, 1129015A550-0000, 1129020A550-0000, 1129030A550-0000) V […]
2024-05-21

Filtro de ar FAW J5

FAW J5 Filtro de ar FAW J5 Filtro de ar desempenha um papel fundamental no fornecimento de ar limpo para o motor. Chupando a cabeça (1109230-1H) e absorvendo o pipeline em […]
2024-05-21

Mecanismo de controle de combustível FAW J5

FUW J5 Mecanismo de controle de combustível FUW J5 fornece suprimento de combustível eficaz para o motor. Acelerador eletrônico (1108010-417) Fornece preciso […]
2024-05-21

Oleoduto FAW J5

Faw J5 Fuel Fuel Tipe Tubs Faw J5 desempenha um papel importante para garantir o suprimento confiável de combustível ao motor. Oleodutos de alta pressão (112901OA550-0000, 1129015A550-0000, 1129020A550-0000, 1129030A550-0000) V […]
2024-05-21

Refrigerador de óleo FAW J5

FAW J5 RECOLADOR DE ÓLEO DE ÓLEO FAW J5 desempenha um papel importante na manutenção da temperatura ideal do motor. O componente do refrigerador de óleo (1013010A101-0000) Com um disco (1013021-001-0000) E leve […]
2024-05-21

Filtro de óleo FAW J5

Filtro de óleo FAW J5 FAW J5 Filtro de óleo desempenha um papel fundamental na manutenção da pureza do petróleo e na proteção do motor do desgaste. Suporte superior (1012002-541-0000) e parafuso com […]
Converse conosco
Converse conosco
Questões, dúvidas, problemas? Estamos aqui para ajudá-lo!
Conectando...
Nenhum dos nossos operadores está disponível no momento. Por favor, tente mais tarde.
Nossos operadores estão ocupados. Por favor, tente novamente mais tarde
:
:
:
:
Você tem alguma pergunta? Escreva para nós!
:
:
Esta sessão de bate-papo terminou