EnglishالعربيةFrançaisPortuguêsРусскийEspañol
 Editar tradução
por Transposh - translation plugin for wordpress

Perfeição para vendas, peças - fornecimento

2024-08-13

Conjunto do eixo dianteiro (aro de alumínio) FAW J7

Conjunto do eixo dianteiro (aro de alumínio) FAW J7 The front axle assembly (aro de alumínio) de faw j7 ca4250p77k25t1e5 é significativo. The aluminum rim is lighter than steel, […]
2024-08-13

Conjunto do eixo dianteiro (aro de aço) FAW J7

Conjunto do eixo dianteiro (aro de aço) FAW J7 The front axle assembly (aro de aço) de faw j7 ca4250p77k25t1e5 é essencial. It supports the front part of the […]
2024-08-13

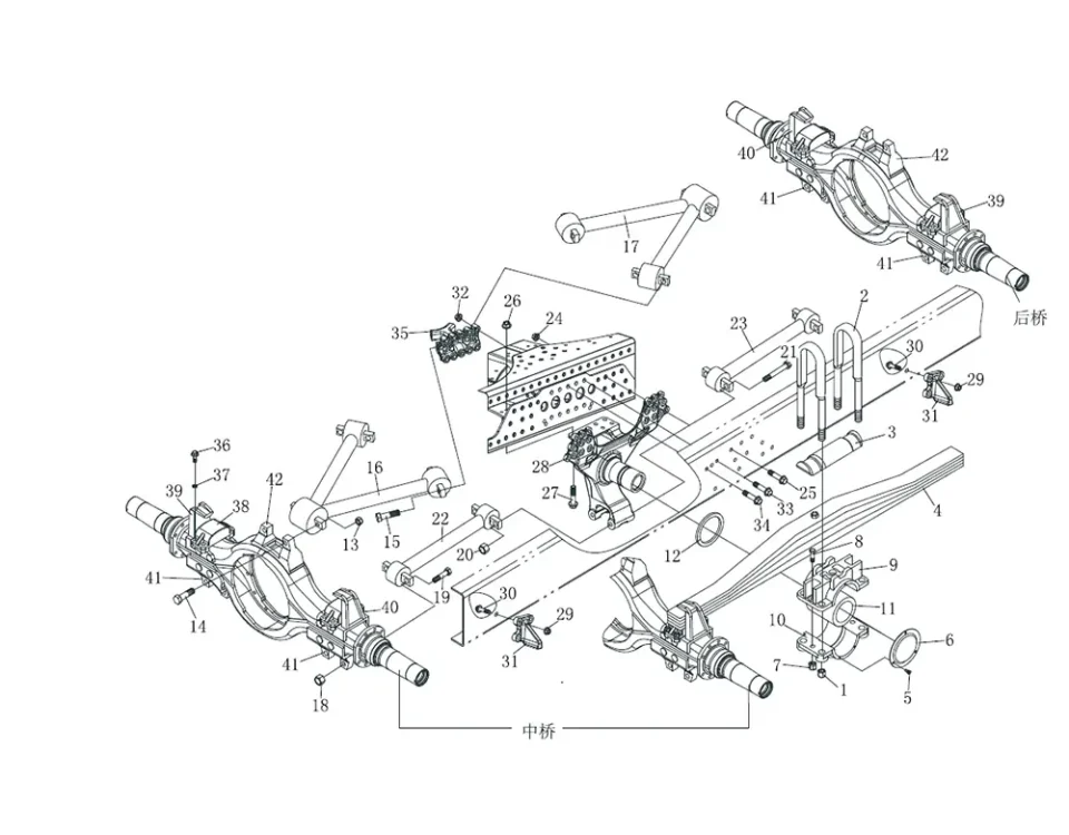
Rear Suspension FAW J7

Rear Suspension FAW J7 The rear suspension of FAW J7 CA4250P77K25T1E5 is significant. It supports the weight of the truck and any attached trailer. Absorbs shocks […]
2024-08-13

Suspensão dianteira FAW J7

Front suspension FAW J7 The front suspension of FAW J7 CA4250P77K25T1E5 is crucial. Proporciona uma condução suave ao absorver choques e vibrações da estrada. […]
2024-08-13

Assembléia lógica traseira de pára -choque (simple) FAW J7

Assembléia lógica traseira de pára -choque (simple) FAW J7 O conjunto lógico de Fender traseiro (simple) de faw j7 ca4250p77k25t1e5 é útil. It provides some protection to the rear […]
2024-08-13

Assembléia lógica traseira de pára -choque (fechado) FAW J7

Assembléia lógica traseira de pára -choque (fechado) FAW J7 O conjunto lógico de Fender traseiro (fechado) de faw j7 ca4250p77k25t1e5 é significativo. Protege as rodas traseiras e componentes […]
2024-08-13

Proteção mais baixa frontal FAW J7

Proteção frontal FAW J7 A proteção inferior frontal do FAW J7 CA4250P77K25T1E5 é importante. Ele protege a parte inferior da frente do caminhão por danos. Impede […]
2024-08-13

Quadro (tanque de combustível duplo 500L) (Fenders fechados) FAW J7

Quadro (tanque de combustível duplo 500L) (Fenders fechados) Faw j7 o quadro (tanque de combustível duplo 500L) (Fenders fechados) de faw j7 ca4250p77k25t1e5 é significativo. O duplo 500L […]
2024-08-13

Quadro (Tanque de combustível único 800L) (Fenders fechados) FAW J7

Quadro (Tanque de combustível único 800L) (Fenders fechados) Faw j7 o quadro (Tanque de combustível único 800L) (Fenders fechados) de faw j7 ca4250p77k25t1e5 é crucial. Fornece o […]
Converse conosco
Converse conosco
Questões, dúvidas, problemas? Estamos aqui para ajudá-lo!
Conectando...
Nenhum dos nossos operadores está disponível no momento. Por favor, tente mais tarde.
Nossos operadores estão ocupados. Por favor, tente novamente mais tarde
:
:
:
:
Você tem alguma pergunta? Escreva para nós!
:
:
Esta sessão de bate-papo terminou